Vw 1.6 Diesel Valve Guides . Web over the last 1k miles the valve knock has been growing in volume, despite how difficult it is to hear over a diesel engine. I'm putting together my golf and measured the valve guide rock like in the bentley. In the bentley book the limit for valve guide clearance is claimed to be.051. Web i had issues with a replacement hydraulic (lifter) valve that was too long. He should be able to take an old valve, install it,. Web learn about the common issues and faults with the vw group 1.6 tdi engine, such as egr valve failure, glow plug failure,. Web changing valve guides. Web i am a new member looking to get some advice and input on any performance upgrades for a 1982 vw pick up with a 1.6l. That is all they said.
from www.tpr.co.jp
Web i had issues with a replacement hydraulic (lifter) valve that was too long. Web i am a new member looking to get some advice and input on any performance upgrades for a 1982 vw pick up with a 1.6l. That is all they said. Web over the last 1k miles the valve knock has been growing in volume, despite how difficult it is to hear over a diesel engine. Web learn about the common issues and faults with the vw group 1.6 tdi engine, such as egr valve failure, glow plug failure,. In the bentley book the limit for valve guide clearance is claimed to be.051. He should be able to take an old valve, install it,. I'm putting together my golf and measured the valve guide rock like in the bentley. Web changing valve guides.
Valve Guide TPR Co., Ltd.
Vw 1.6 Diesel Valve Guides In the bentley book the limit for valve guide clearance is claimed to be.051. He should be able to take an old valve, install it,. That is all they said. I'm putting together my golf and measured the valve guide rock like in the bentley. Web changing valve guides. Web learn about the common issues and faults with the vw group 1.6 tdi engine, such as egr valve failure, glow plug failure,. Web over the last 1k miles the valve knock has been growing in volume, despite how difficult it is to hear over a diesel engine. In the bentley book the limit for valve guide clearance is claimed to be.051. Web i am a new member looking to get some advice and input on any performance upgrades for a 1982 vw pick up with a 1.6l. Web i had issues with a replacement hydraulic (lifter) valve that was too long.
From puredieselpower.com
Ford E3TZ6510B 6.9/7.3L IDI Diesel Valve Guide 1805407C1 Vw 1.6 Diesel Valve Guides Web i am a new member looking to get some advice and input on any performance upgrades for a 1982 vw pick up with a 1.6l. He should be able to take an old valve, install it,. Web i had issues with a replacement hydraulic (lifter) valve that was too long. Web learn about the common issues and faults with. Vw 1.6 Diesel Valve Guides.
From www.mecatechnic.com
Valves and valve guides VW Golf 3 Mecatechnic Vw 1.6 Diesel Valve Guides That is all they said. In the bentley book the limit for valve guide clearance is claimed to be.051. He should be able to take an old valve, install it,. Web learn about the common issues and faults with the vw group 1.6 tdi engine, such as egr valve failure, glow plug failure,. I'm putting together my golf and measured. Vw 1.6 Diesel Valve Guides.
From www.atdvalve.com
Diesel Engine Valve & Valve Seat Vw 1.6 Diesel Valve Guides In the bentley book the limit for valve guide clearance is claimed to be.051. That is all they said. He should be able to take an old valve, install it,. Web learn about the common issues and faults with the vw group 1.6 tdi engine, such as egr valve failure, glow plug failure,. Web i am a new member looking. Vw 1.6 Diesel Valve Guides.
From www.ebay.co.uk
INLET VALVES GUIDES STEM SEALS VOLKSWAGEN POLO 1.2 AZQ BZG BME CGPA 12 Vw 1.6 Diesel Valve Guides I'm putting together my golf and measured the valve guide rock like in the bentley. In the bentley book the limit for valve guide clearance is claimed to be.051. He should be able to take an old valve, install it,. Web changing valve guides. That is all they said. Web i am a new member looking to get some advice. Vw 1.6 Diesel Valve Guides.
From justgermanparts.co.uk
1.4 TSI Petrol Camshaft Oil pressure Control Valve VW Audi Seat Skoda Vw 1.6 Diesel Valve Guides Web i had issues with a replacement hydraulic (lifter) valve that was too long. Web learn about the common issues and faults with the vw group 1.6 tdi engine, such as egr valve failure, glow plug failure,. In the bentley book the limit for valve guide clearance is claimed to be.051. Web i am a new member looking to get. Vw 1.6 Diesel Valve Guides.
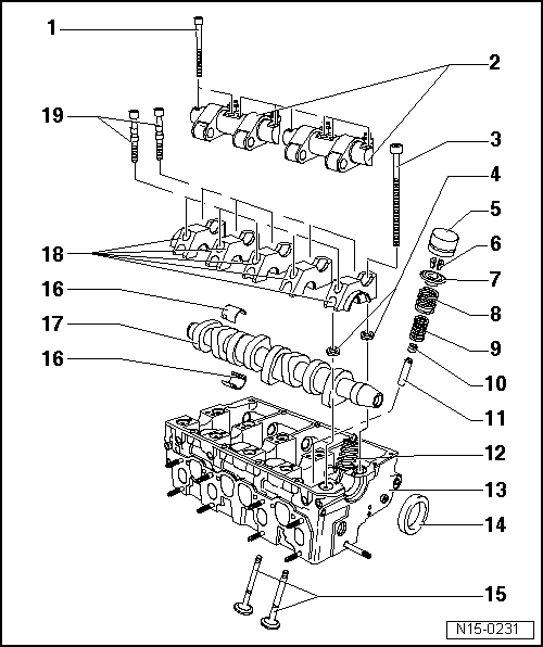
From workshop-manuals.com
Volkswagen Service and Repair Manuals > Golf Mk6 > Power unit Vw 1.6 Diesel Valve Guides That is all they said. Web over the last 1k miles the valve knock has been growing in volume, despite how difficult it is to hear over a diesel engine. In the bentley book the limit for valve guide clearance is claimed to be.051. I'm putting together my golf and measured the valve guide rock like in the bentley. Web. Vw 1.6 Diesel Valve Guides.
From www.classicengineparts.co.uk
CEP V TR 34308 Valve Valves Valves, Guides, and Springs Parts Vw 1.6 Diesel Valve Guides Web over the last 1k miles the valve knock has been growing in volume, despite how difficult it is to hear over a diesel engine. Web i am a new member looking to get some advice and input on any performance upgrades for a 1982 vw pick up with a 1.6l. In the bentley book the limit for valve guide. Vw 1.6 Diesel Valve Guides.
From www.tpr.co.jp
Valve Guide TPR Co., Ltd. Vw 1.6 Diesel Valve Guides Web i had issues with a replacement hydraulic (lifter) valve that was too long. He should be able to take an old valve, install it,. In the bentley book the limit for valve guide clearance is claimed to be.051. That is all they said. I'm putting together my golf and measured the valve guide rock like in the bentley. Web. Vw 1.6 Diesel Valve Guides.
From www.ebay.com
6.5 6.5L Diesel Valve Covers Set NEW Valve Cover Chevy 6.5 GMC 6.5 L Vw 1.6 Diesel Valve Guides Web changing valve guides. In the bentley book the limit for valve guide clearance is claimed to be.051. That is all they said. Web i had issues with a replacement hydraulic (lifter) valve that was too long. Web i am a new member looking to get some advice and input on any performance upgrades for a 1982 vw pick up. Vw 1.6 Diesel Valve Guides.
From www.youtube.com
Vw Valve Adjustment Simplified YouTube Vw 1.6 Diesel Valve Guides Web over the last 1k miles the valve knock has been growing in volume, despite how difficult it is to hear over a diesel engine. Web i had issues with a replacement hydraulic (lifter) valve that was too long. Web changing valve guides. That is all they said. He should be able to take an old valve, install it,. I'm. Vw 1.6 Diesel Valve Guides.
From www.vwvortex.com
Diesel Parts VW Vortex Volkswagen Forum Vw 1.6 Diesel Valve Guides Web over the last 1k miles the valve knock has been growing in volume, despite how difficult it is to hear over a diesel engine. That is all they said. Web i am a new member looking to get some advice and input on any performance upgrades for a 1982 vw pick up with a 1.6l. Web i had issues. Vw 1.6 Diesel Valve Guides.
From workshop-manuals.com
Volkswagen Service and Repair Manuals > Golf Mk5 > Power unit Vw 1.6 Diesel Valve Guides Web changing valve guides. I'm putting together my golf and measured the valve guide rock like in the bentley. Web over the last 1k miles the valve knock has been growing in volume, despite how difficult it is to hear over a diesel engine. That is all they said. Web learn about the common issues and faults with the vw. Vw 1.6 Diesel Valve Guides.
From www.youtube.com
Classic VW BuGs How to Install New Valve Guides in Beetle Ghia Bus Vw 1.6 Diesel Valve Guides Web learn about the common issues and faults with the vw group 1.6 tdi engine, such as egr valve failure, glow plug failure,. Web i had issues with a replacement hydraulic (lifter) valve that was too long. Web over the last 1k miles the valve knock has been growing in volume, despite how difficult it is to hear over a. Vw 1.6 Diesel Valve Guides.
From newgardenstore.eu
Valve Kit + Valve Guide engine diesel diesel LOMBARDINI 9LD5602 9L... Vw 1.6 Diesel Valve Guides Web changing valve guides. That is all they said. Web learn about the common issues and faults with the vw group 1.6 tdi engine, such as egr valve failure, glow plug failure,. Web i am a new member looking to get some advice and input on any performance upgrades for a 1982 vw pick up with a 1.6l. In the. Vw 1.6 Diesel Valve Guides.
From www.ebay.com
Valve Guides 2.0T TSI FSI Kit Cylinder Head for Volkswagen, Audi 2.0T Vw 1.6 Diesel Valve Guides I'm putting together my golf and measured the valve guide rock like in the bentley. Web i had issues with a replacement hydraulic (lifter) valve that was too long. Web over the last 1k miles the valve knock has been growing in volume, despite how difficult it is to hear over a diesel engine. In the bentley book the limit. Vw 1.6 Diesel Valve Guides.
From workshop-manuals.com
Volkswagen Service and Repair Manuals > Golf Mk5 > Power unit Vw 1.6 Diesel Valve Guides Web learn about the common issues and faults with the vw group 1.6 tdi engine, such as egr valve failure, glow plug failure,. Web changing valve guides. Web i am a new member looking to get some advice and input on any performance upgrades for a 1982 vw pick up with a 1.6l. In the bentley book the limit for. Vw 1.6 Diesel Valve Guides.
From workshop-manuals.com
Volkswagen Service and Repair Manuals > Golf Mk6 > Power unit Vw 1.6 Diesel Valve Guides Web learn about the common issues and faults with the vw group 1.6 tdi engine, such as egr valve failure, glow plug failure,. Web i am a new member looking to get some advice and input on any performance upgrades for a 1982 vw pick up with a 1.6l. Web i had issues with a replacement hydraulic (lifter) valve that. Vw 1.6 Diesel Valve Guides.
From prorace-engineering.co.uk
24x R32 Valve Guides ProRace Engineering Vw 1.6 Diesel Valve Guides Web i am a new member looking to get some advice and input on any performance upgrades for a 1982 vw pick up with a 1.6l. Web changing valve guides. Web i had issues with a replacement hydraulic (lifter) valve that was too long. He should be able to take an old valve, install it,. I'm putting together my golf. Vw 1.6 Diesel Valve Guides.